Published:2011/6/19 8:53:00 Author:Seven | Keyword: typical application circuit | From:SeekIC

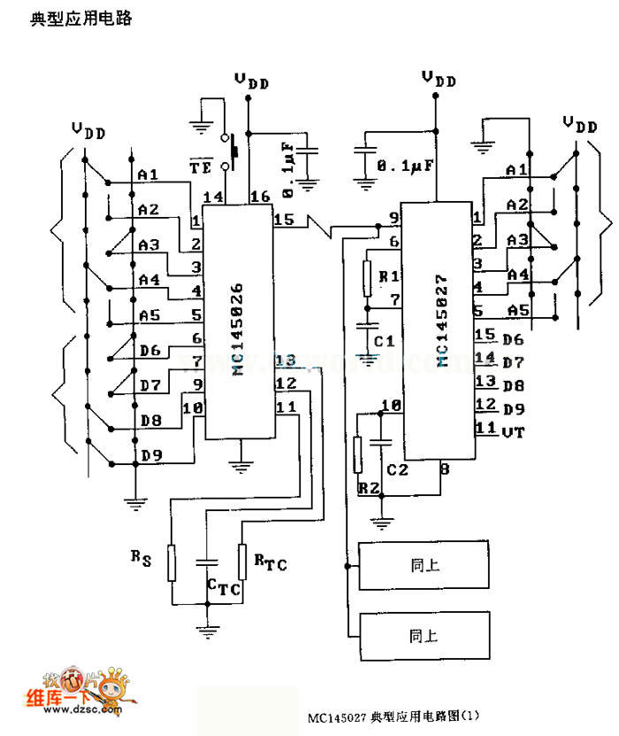
The MCl45027 typical application circuit (1)
Reprinted Url Of This Article:
http://www.seekic.com/circuit_diagram/Automotive_Circuit/The_MCl45027_typical_application_circuit_1.html
Print this Page | Comments | Reading(3)
Code: