Published:2011/8/14 8:42:00 Author:Christina | Keyword: Mazda, charging system circuit | From:SeekIC

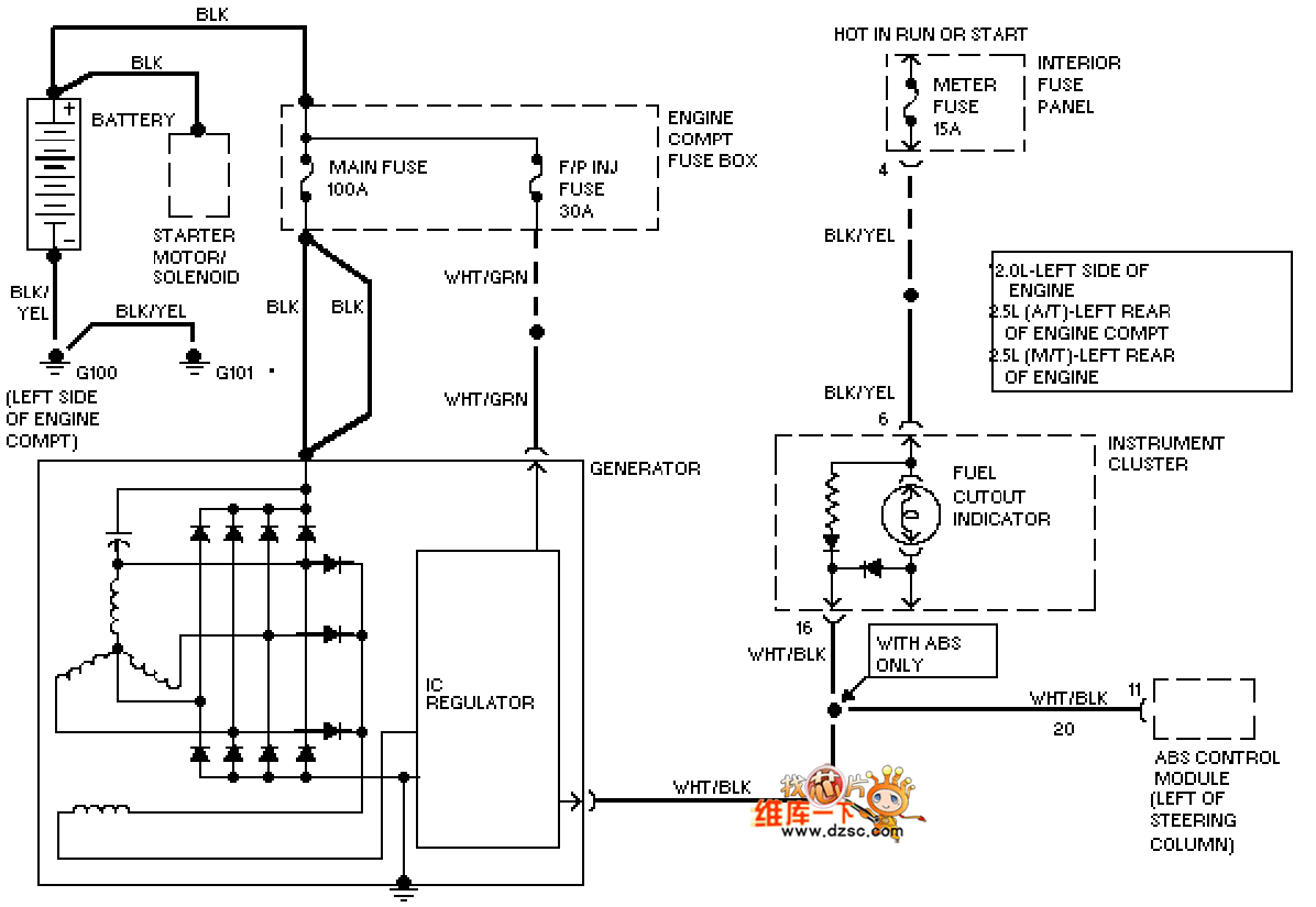
The Mazda 95PROBE charging system circuit is as shown in the figure:
Reprinted Url Of This Article:
http://www.seekic.com/circuit_diagram/Automotive_Circuit/The_Mazda_95PROBE_charging_system_circuit.html
Print this Page | Comments | Reading(3)
Code: