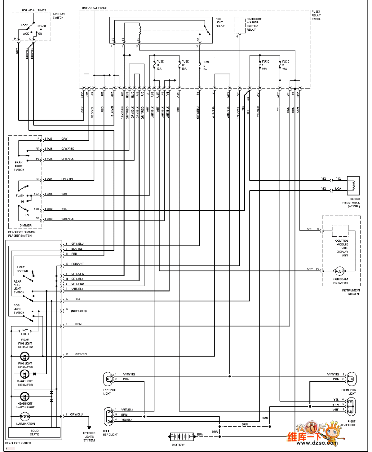
Published:2011/6/30 21:01:00 Author:qqtang | Keyword: Volkswagon, big light circuit | From:SeekIC

Reprinted Url Of This Article:
http://www.seekic.com/circuit_diagram/Automotive_Circuit/The_Volkswagon_big_light_circuit.html
Print this Page | Comments | Reading(3)
Code: