Published:2011/7/18 20:13:00 Author:Borg | Keyword: air-conditioning system, Buick-Regal | From:SeekIC

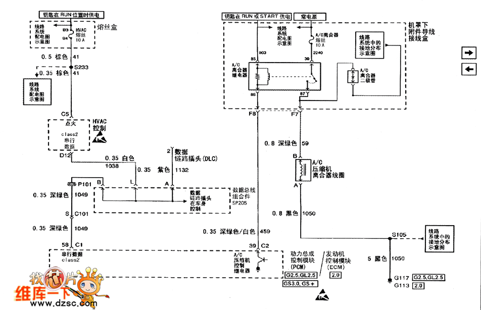
Figure 1. The air-conditioning system circuit of Shanghai Buick-Regal car
Reprinted Url Of This Article:
http://www.seekic.com/circuit_diagram/Automotive_Circuit/The_air_conditioning_system_circuit_of_Shanghai_Buick_Regal_car.html
Print this Page | Comments | Reading(3)
Code: