Published:2011/7/22 21:39:00 Author:qqtang | Keyword: steering alarm | From:SeekIC

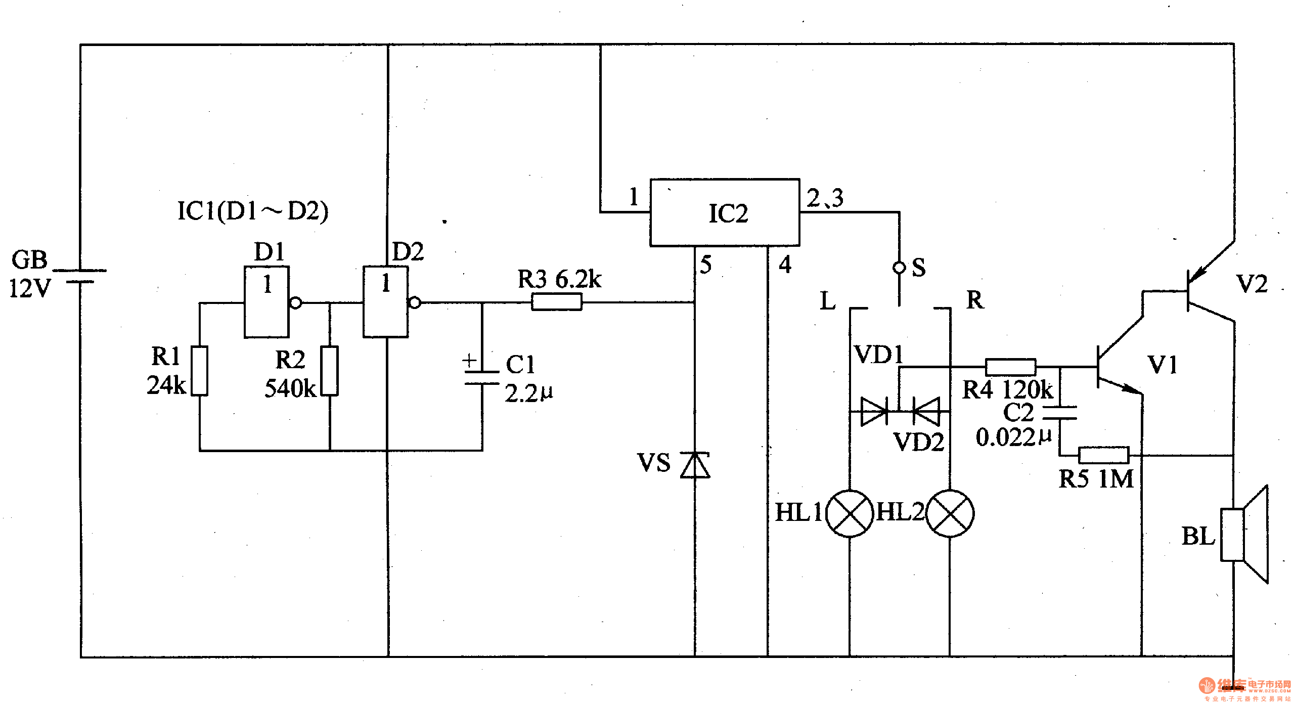
Here is to introduce an automobile steering alarm which can not only be the steering flash sound alarm, but also be the danger alarm.The working principle of the circuitThe automobile steering alarm consists of the low-frequency oscillator, electric switch circuit, control circuit, photoelectric display circuit and music alarm circuit and so on, see as figure 7-127.
The low frequency oscillator consists of the NAND circuits of D3 and D4 in the integrated circuit ICl(Dl-D4) and the external elements.
Reprinted Url Of This Article:
http://www.seekic.com/circuit_diagram/Automotive_Circuit/The_automobile_steering_alarm_4.html
Print this Page | Comments | Reading(3)
Code: