Published:2011/7/22 21:50:00 Author:qqtang | Keyword: steering alarm | From:SeekIC

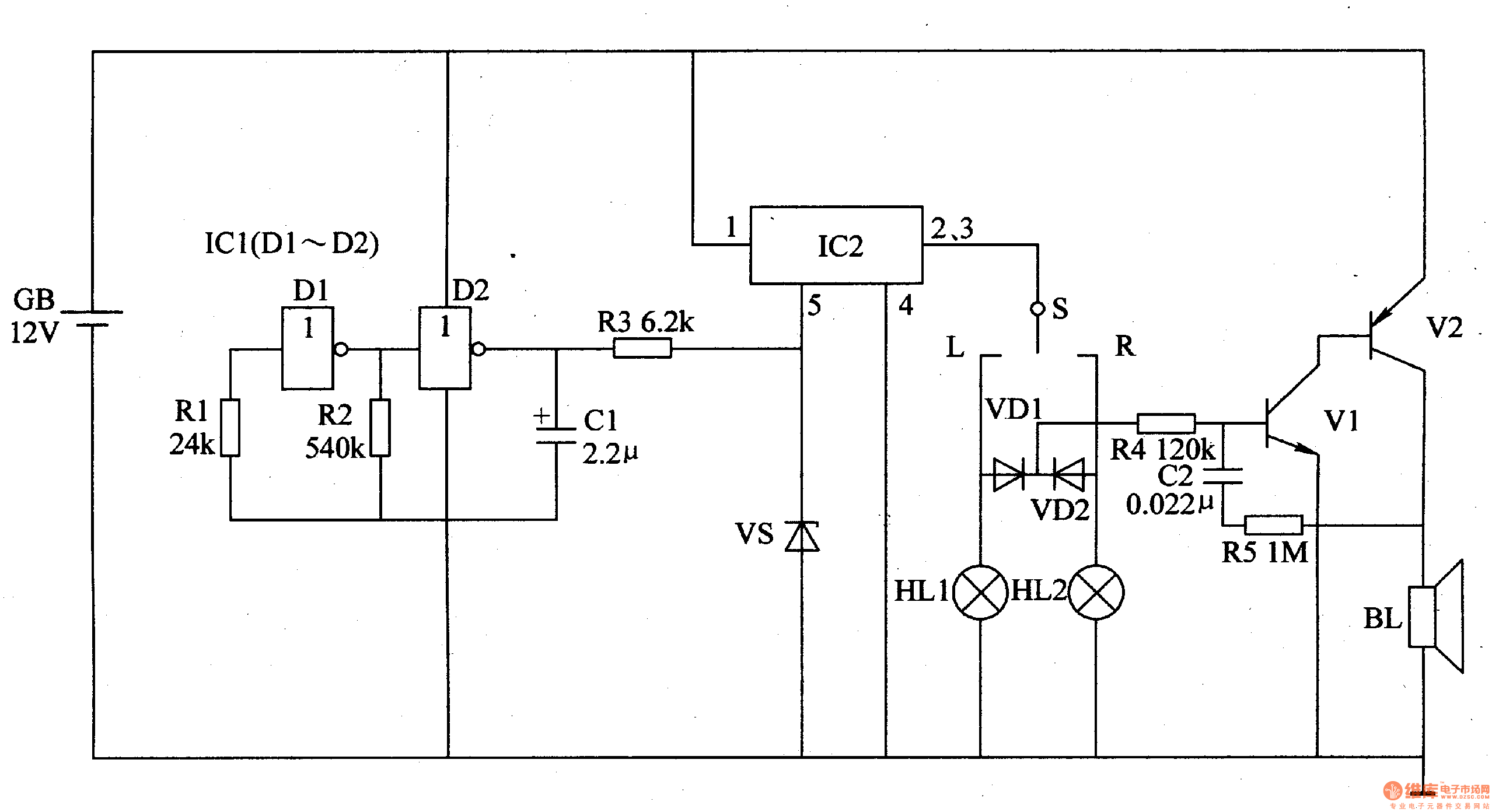
The working principle of the circuit The automobile steering alarm consists of the low-frequency oscillator, the electric switch circuit and the sound alarm circuit, see as figure 7-128.
The low-frequency oscillator consist of the NOR gate circuit ICl(Dl and D2), resistors of R1 and R2, capacitor C1 and so on. The electric switch circuit consists of the electric switch integrated circuit IC2, resistor and regulated diode VS.
Reprinted Url Of This Article:
http://www.seekic.com/circuit_diagram/Automotive_Circuit/The_automobile_steering_alarm_5.html
Print this Page | Comments | Reading(3)
Code: