Published:2011/7/23 21:29:00 Author:qqtang | Keyword: charge/discharge monitor | From:SeekIC

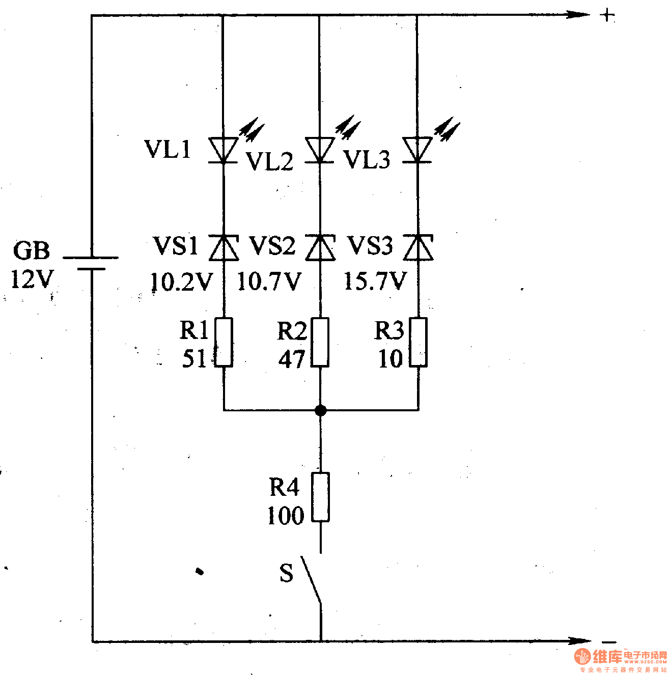
Here is to introduce a battery charge/discharge monitor which indicates the battery charge/discharge state with the 3R LED VL. The circuit is simple.The working principle of the circuitThe battery charge/discharge monitor circuits consist of the resistors R1-R4, LED VLl-VL3, regulator diodes VSl-VS3 and switch S, see as figure 7-52.
When charging, the voltage of VLl-VL3 on the battery terminal is rising to 16.2V, the indicators are all glowing, which means the battery is full and the charge current should be cut off or reduced.
Reprinted Url Of This Article:
http://www.seekic.com/circuit_diagram/Automotive_Circuit/The_battery_charge_discharge_monitor.html
Print this Page | Comments | Reading(3)
Code: