Published:2011/7/17 23:00:00 Author:Borg | Keyword: burglarproof alarm circuit | From:SeekIC

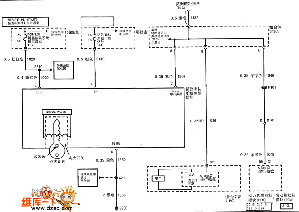
figue 1:Theburglarproof alarmcircuitofShanghaiGMBuick-Regal
Reprinted Url Of This Article:
http://www.seekic.com/circuit_diagram/Automotive_Circuit/The_burglarproof_alarm_circuit_of_Buick_Regal.html
Print this Page | Comments | Reading(3)
Code: