Published:2011/7/22 22:22:00 Author:qqtang | Keyword: back-up alarm | From:SeekIC

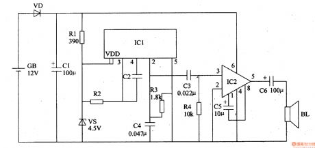
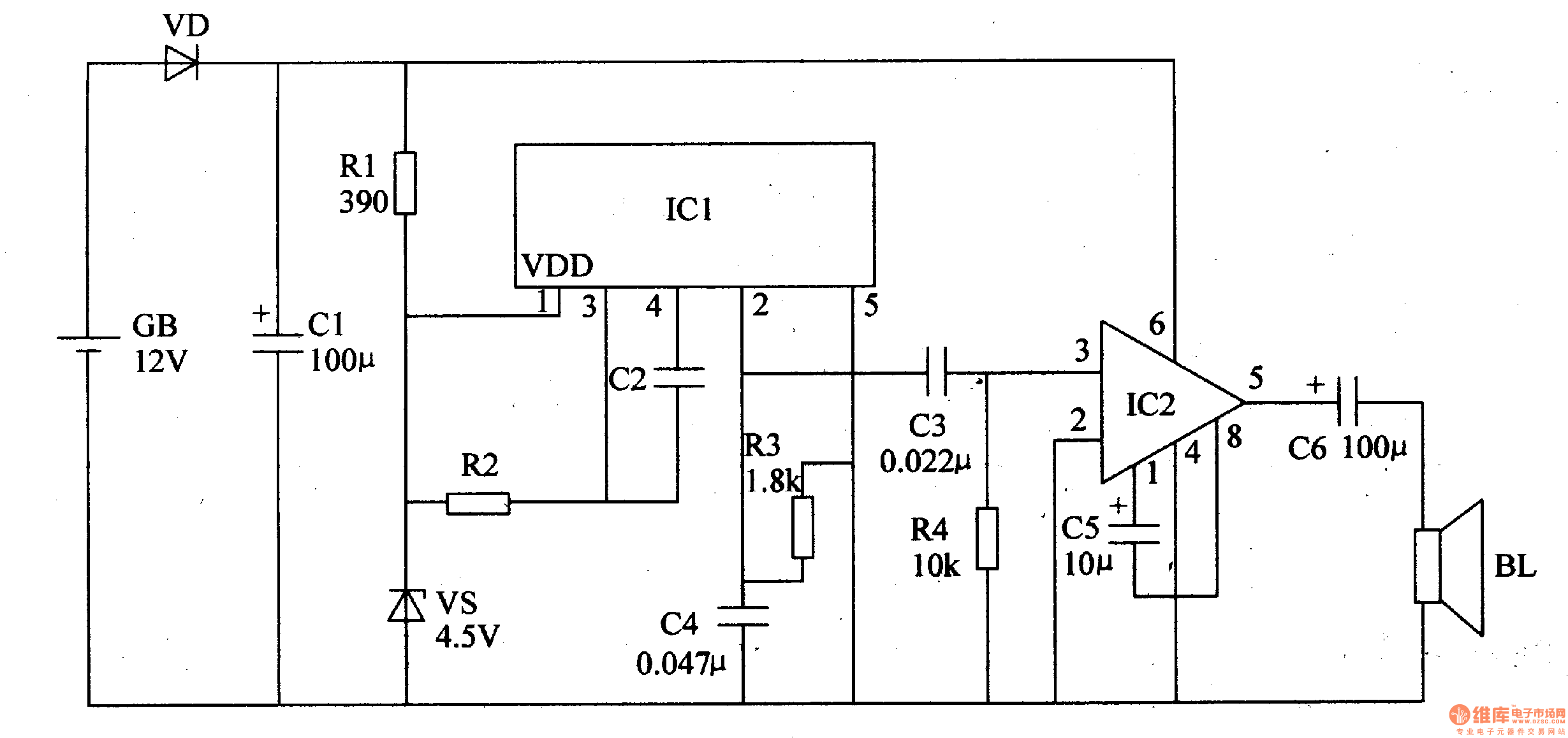
The car back-up alarm that will be introduced adopts the voice integrated circuit, which can make the alarm sound of ding-dong, back up to remind the pedestrian of safety.The working principle of the circuitThe car back-up alarm consists of the sound generator and the op-amp output circuit, see as figure 7-123.
The sound generator circuit consists of the resistors R1-R3, capacitors of C2 and C4, regulated diode VS and voice integrated circuit IC
Reprinted Url Of This Article:
http://www.seekic.com/circuit_diagram/Automotive_Circuit/The_car_back_up_alarm_3.html
Print this Page | Comments | Reading(3)
Code: