Published:2011/7/23 20:59:00 Author:qqtang | Keyword: brake lamp, fault monitor | From:SeekIC

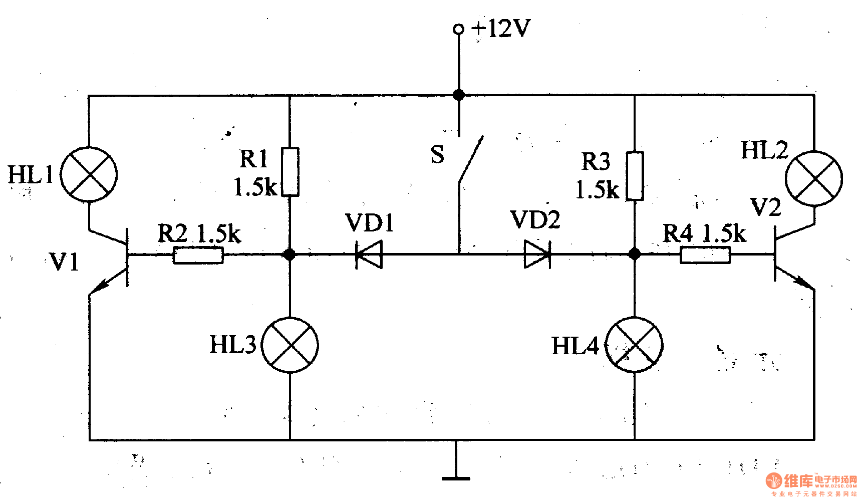
Whether the brake lamp is good directly affects the safety of the following car. Here is to introduce the car brake lamp fault monitor, which can find the broken lamp, reduce the traffic accidents and make sure the car is safe.The working principle of the circuit The car brake lamp fault monitor consists of the resistors V1 and V2, diodes VD1 and VD2, resistors R1-R4 and indicators HL1 and HL2, see as figure 7-53.
Reprinted Url Of This Article:
http://www.seekic.com/circuit_diagram/Automotive_Circuit/The_car_brake_lamp_fault_monitor_1.html
Print this Page | Comments | Reading(3)
Code: