Published:2011/7/23 21:18:00 Author:qqtang | Keyword: brake lamp, fault monitor | From:SeekIC

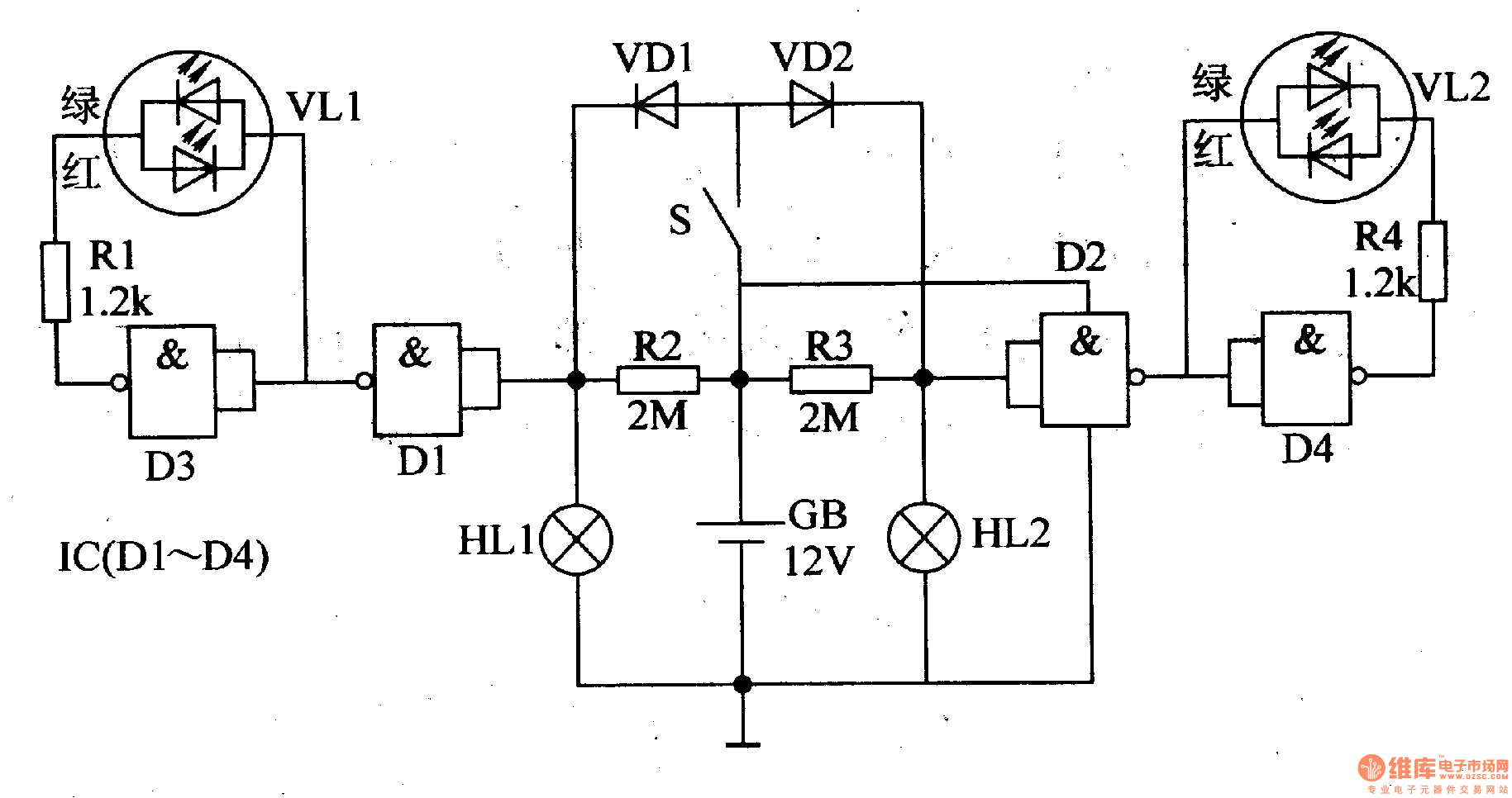
Here is to introduce a car brake lamp fault monitor circuit which is made of the CD4011 digital integrated circuit(4 NAND). The working principle of the circuitFigure 7-56 is the The car brake lamp fault monitor circuit
In the circuit, HL1 is the left brake lamp, HL2 is the right brake lamp, resistors R2 and R3 form 2 circuits with brake lamps HL1 and HL2. S is the brake switch, GB is the car battery.
Reprinted Url Of This Article:
http://www.seekic.com/circuit_diagram/Automotive_Circuit/The_car_brake_lamp_fault_monitor_4.html
Print this Page | Comments | Reading(3)
Code: