Published:2011/7/23 20:53:00 Author:qqtang | Keyword: burglarproof alarm | From:SeekIC

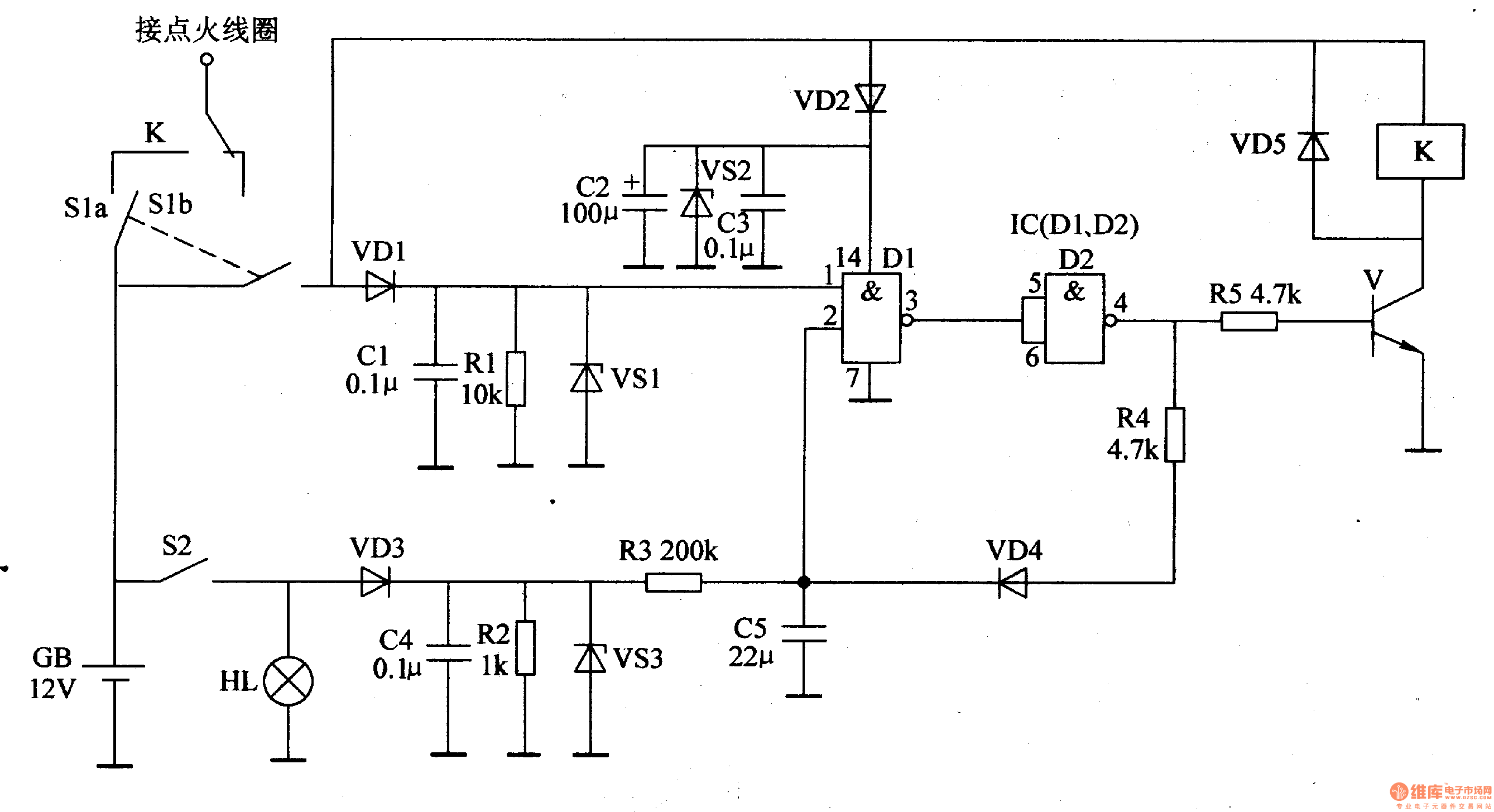
Here is to introduce a car burglarproof alarm which is installed in a hidden place, and it is used to confuse the thief, when the thief is stealing the motor, the motor seems to be ignited but doesn't move, finally, the motor can be ridden away, so the thief have to give up.The working principle of the circuit The car burglarproof alarm circuit consists of resistors R1-R5, capacitors C1-C5, diodes VD1-VD5, regulated diodes VS1-VS3, the transistor V, NAND integrated IC(D1 and D2) and relay K, see as figure 7-69.
Reprinted Url Of This Article:
http://www.seekic.com/circuit_diagram/Automotive_Circuit/The_car_burglarproof_alarm_3.html
Print this Page | Comments | Reading(3)
Code: