Published:2011/7/21 20:42:00 Author:qqtang | Keyword: electric igniter | From:SeekIC

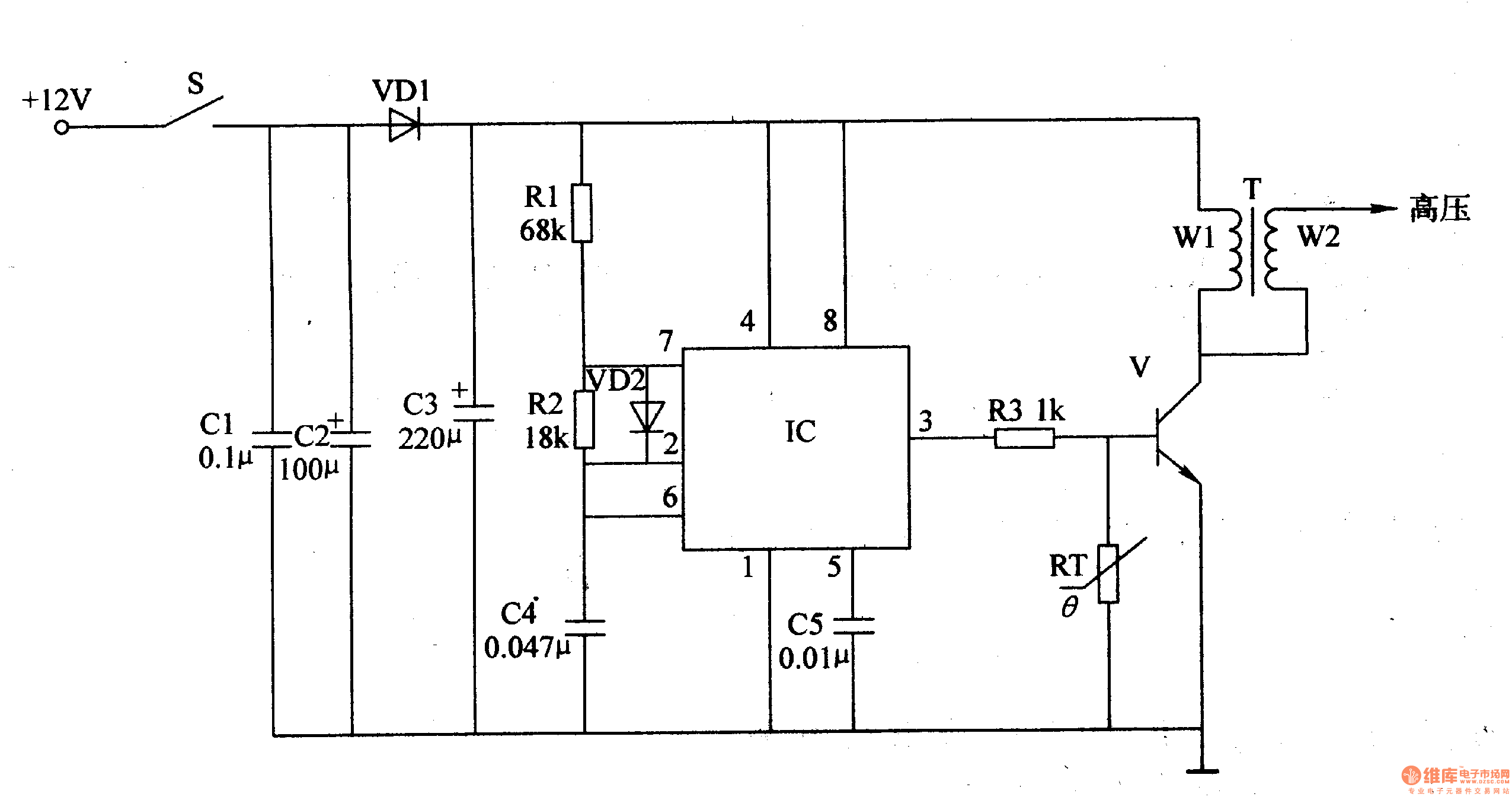
Here is to introduce the car electric igniter, which is made on the base of the 555 time-based integrated circuit, and it characterizes high igniting voltage(which can reach 15-20KV), low starting temperature of the engine, energy-saving and so on. The working principle The car electric igniter consists of the filter circuit, pulse oscillator circuit and switch booster circuit, see as figure 7-136.
The filter circuit consists of the filter capacitor C1-C3 and isolating diode VD1.
Reprinted Url Of This Article:
http://www.seekic.com/circuit_diagram/Automotive_Circuit/The_car_electric_igniter_5.html
Print this Page | Comments | Reading(3)
Code: