Published:2011/7/20 1:10:00 Author:TaoXi | Keyword: car, electronic, fuel-saving device | From:SeekIC

The principle of the circuit
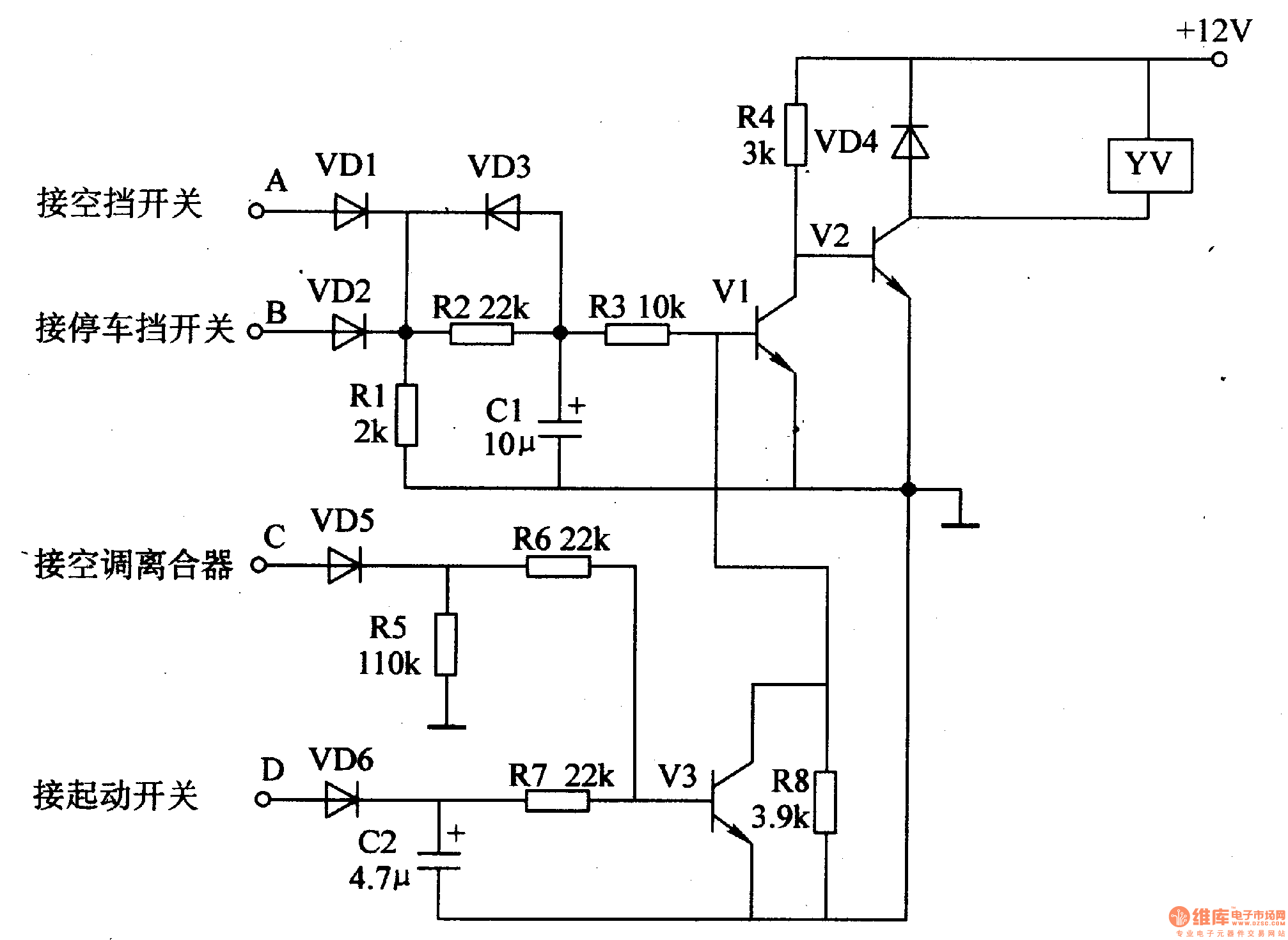
The car electronic fuel-saving device is composed of the diodes VD1-VD6, the resistors R1-R8, the capacitors C1 and C2, the transistors V1-V3 and the electromagnetic valve YV, the circuit is as shown in figure 7-140.
Components selection
R1-R8 are the 1/4W metal film resistors or the carbon film resistors.C1 and C2 are the 16V aluminum electrolytic capacitor.VD1-VD6 are the 1N4007 silicon rectifier diode.V1 and V3 are the S8050 NPN transistors; V2 uses the DDO3 silicon NPN transistor.YU uses the 12V DC electromagnetic valve.
Reprinted Url Of This Article:
http://www.seekic.com/circuit_diagram/Automotive_Circuit/The_car_electronic_fuel_saving_device_2.html
Print this Page | Comments | Reading(3)
Code: