Published:2011/6/21 6:14:00 Author:qqtang | Keyword: decimal, additive counter | From:SeekIC

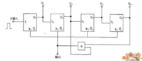
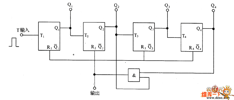
In the figure is an example of the decimal additive counter circuit, which splits the input frequency in the decimal method, so it is called the decimal counter, and this is also the basic form of digital counters.
Reprinted Url Of This Article:
http://www.seekic.com/circuit_diagram/Automotive_Circuit/The_decimal_additive_counter_circuit.html
Print this Page | Comments | Reading(3)
Code: