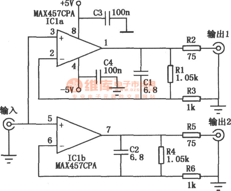
Published:2011/6/15 3:17:00 Author:Borg | Keyword: video amplifier, dual-way | From:SeekIC

Reprinted Url Of This Article:
http://www.seekic.com/circuit_diagram/Automotive_Circuit/The_dual_way_video_amplifier_circuit_composed_of_MAX457CPA.html
Print this Page | Comments | Reading(3)
Code: