Published:2011/5/21 20:55:00 Author:Borg | Keyword: electric window, Daewoo Racer | From:SeekIC


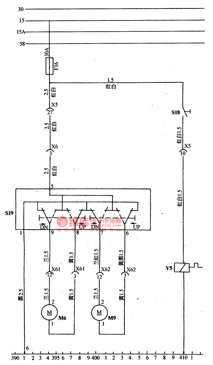
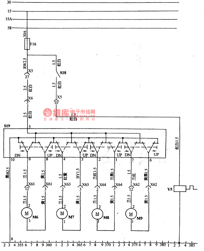
(9) the electric glass elevator(see as Figure 11a and 11b)It is a elevating motor which controls all the glass window by the combination switch of S19, the combination switch forms a circuit by 4 lever switches, the it can engage power brake and it links with the ground connection.
Reprinted Url Of This Article:
http://www.seekic.com/circuit_diagram/Automotive_Circuit/The_electric_window_circuit_of_Daewoo_Racer.html
Print this Page | Comments | Reading(3)
Code: