Published:2011/6/21 22:09:00 Author:qqtang | Keyword: frequency counter | From:SeekIC

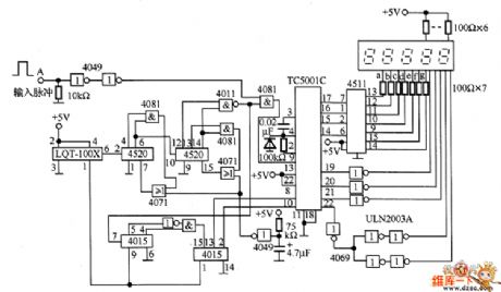
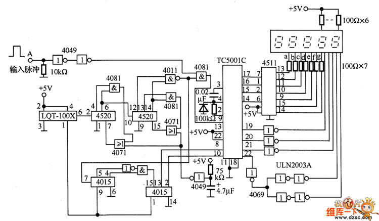
In the figure is the frequency counter circuit, the upper limit of the frequency testing range is 10kHz or so, the lower limit is several Hz. In the circuit, the 1st bit is fixed as 0, the testing period is 1.2s, LQT-100X is the module on the market. This circuit can be used as the rotating meter, which is installed in the rotating equipment, for example, the spindle of motors is fixed with encoder of 6 pulses/1 round, so that we can read out the rotating speed each minute of the motor, i.e the digital rotating speed meter.
Reprinted Url Of This Article:
http://www.seekic.com/circuit_diagram/Automotive_Circuit/The_frequency_counter_circuit.html
Print this Page | Comments | Reading(3)
Code: