Published:2011/7/23 20:30:00 Author:qqtang | Keyword: burglarproof alarm | From:SeekIC

The working principle of the circuit
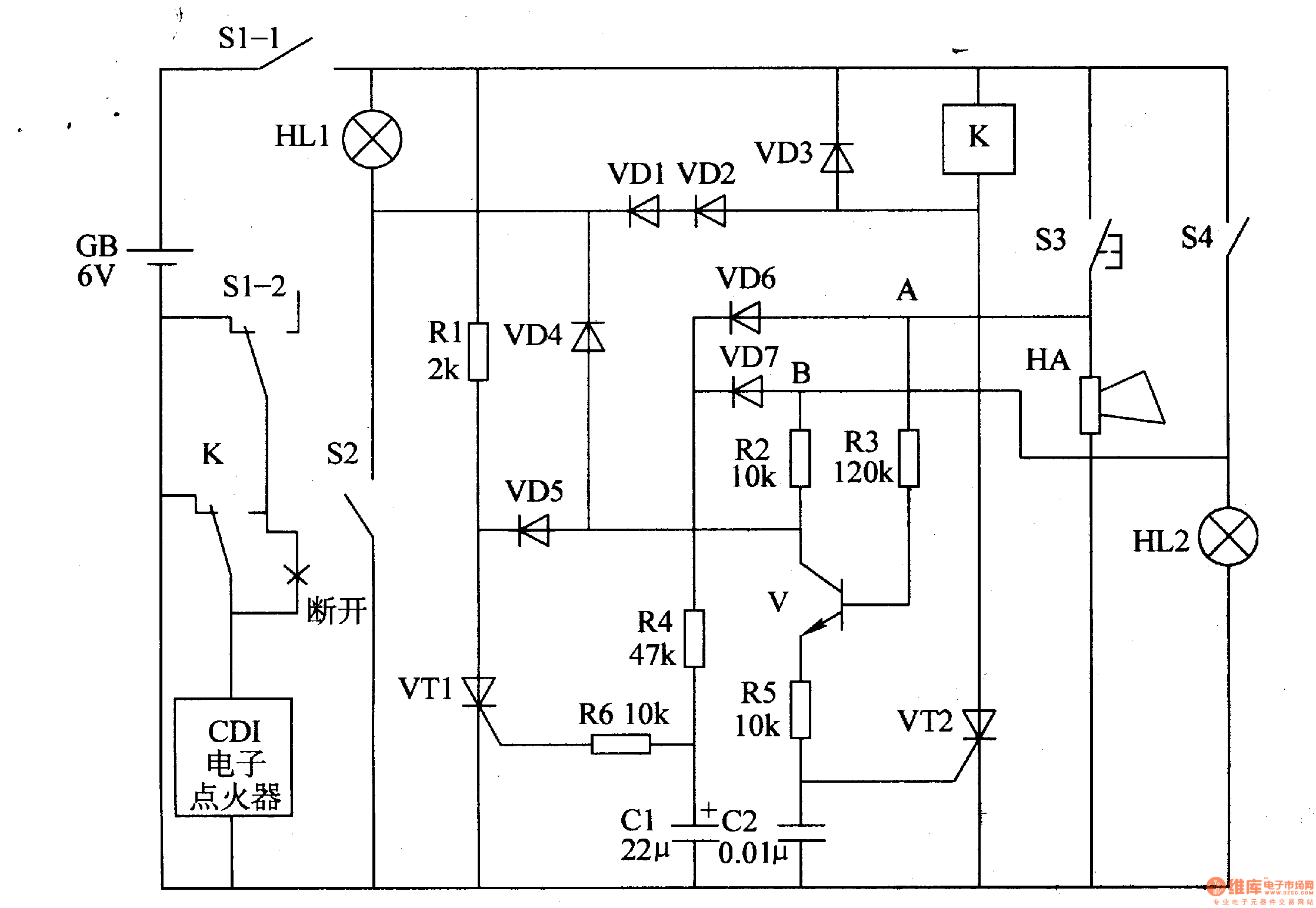
The motor alarm circuit consists of the diodes VD1-VD7, transistor V, thyristors VT1 and VT2, resistor R1-R6, capacitors C1 and C2, relay K, see as figure 7-72.
S1(S1-1, S1-2) is the motor lock switch, S2 is the neutral switch, S3 is the electric loudspeaker key, S4 is the brake switch. HL1 is the neutral gear indicator, HL2 is the brake lamp. GB is the motor battery.
Reprinted Url Of This Article:
http://www.seekic.com/circuit_diagram/Automotive_Circuit/The_motor_burglarproof_alarm_3.html
Print this Page | Comments | Reading(3)
Code: