Published:2011/8/23 22:38:00 Author:qqtang | Keyword: motor protector | From:SeekIC

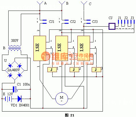
The working principle of the device is shown in figure 21. LSE component is stringed in A, B and C. When the 3-phase wire is intact, 4-pin of LSE is outputting a high LEV, meanwhile the relays of J1, J2 and J3 are in the closed state, so the 3-phase AC contcator CJ is pulled in, and the contactors of CJ1, CJ2 and CJ3 are self-protecting, the motor is working normally. If one of A, B, C 3-phase power supplies is broken down, then the part between 1-pin and 2-pin of one of the LSEs will be broken down.
Reprinted Url Of This Article:
http://www.seekic.com/circuit_diagram/Automotive_Circuit/The_motor_protector_circuit.html
Print this Page | Comments | Reading(3)
Code: