Published:2011/7/22 9:56:00 Author:qqtang | Keyword: motorcycle, multi-functional reminder | From:SeekIC

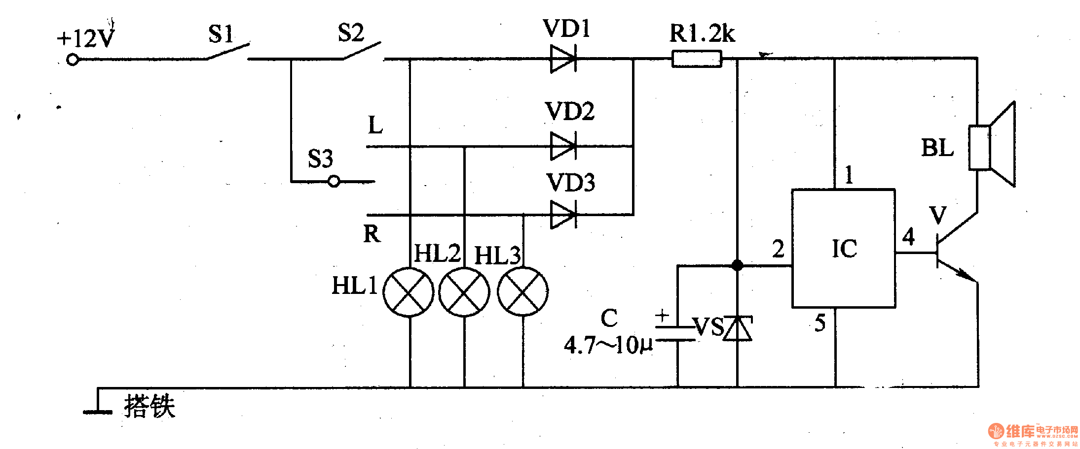
The working principle of the circuitThe motorcycle multi-functional reminder consists of the diodes VD1-VD3, resistor R, regulated diode VS, filter capacitor C, music integrated circuit IC, transistor V and loudspeaker BL, see as figure 7-120.
S2 is the neutral switch, S3 is the steering lamp switch. HL1 is the neutral gear indicator, HL2 is the left turning lamp, HL3 is the right turning lamp.
Reprinted Url Of This Article:
http://www.seekic.com/circuit_diagram/Automotive_Circuit/The_motorcycle_multi_functional_reminder.html
Print this Page | Comments | Reading(3)
Code: