Published:2011/6/16 5:50:00 Author:Borg | Keyword: frequency synthesizer | From:SeekIC

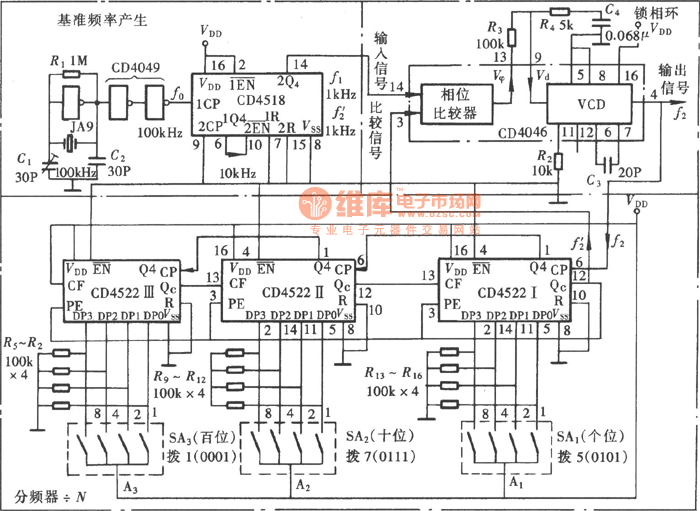
In the figure is a practical frequency synthesizer, which is equipped with a highly stable quartz crystal oscillator, and it generates a 100KHz rectangle pulse which is split into 1KHz pulse by the splitter as the reference frequency. The synthesizer is preset by a switch, which can output 999 kinds of reference frequencies that are 1~999kHz with the interval of 1KHz. The synthesizer is very useful.
Reprinted Url Of This Article:
http://www.seekic.com/circuit_diagram/Automotive_Circuit/The_precise_frequency_synthesizer_composed_of_CD4046.html
Print this Page | Comments | Reading(3)
Code: