Published:2011/5/21 21:47:00 Author:Borg | Keyword: signal circuit, Daewoo Racer | From:SeekIC

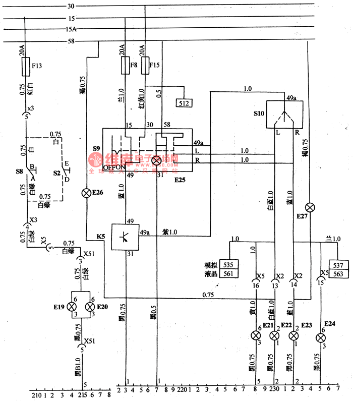
The backup lamp switch(S8) controls the lamp of E19 and E20, the turn lamp switch controls the left-hand signal lamps(E21 and E22) and left-hand turn indicator(E39), or right-hand signal lamps(E23 and E24) and right-hand indicator E40(see as instrument indicator). At the moment, the current of flash(K5) is provided by fuse F8 of No.15 circuit and controlled by the igniting switch. If the warning signal is delivered, the alarm lamp switch S9 is supposed to be press, and the current comes from No.30 circuit (positive pole of the battery) directly, so the left and right turn lamps flash at the same time, the flashing frequency is requested to be 85±10times/min.
Reprinted Url Of This Article:
http://www.seekic.com/circuit_diagram/Automotive_Circuit/The_principle_signal_circuit_of_Daewoo_Racer.html
Print this Page | Comments | Reading(3)
Code: