Published:2011/6/21 6:24:00 Author:qqtang | Keyword: pulse, accumulation counter | From:SeekIC

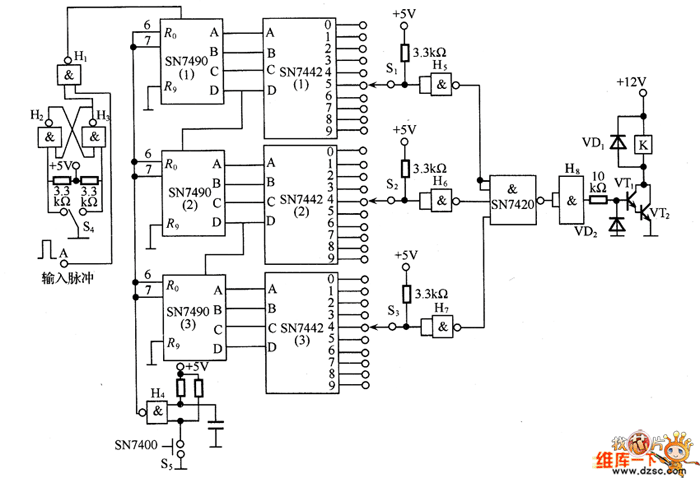
In the figure is the example of the pulse accumulation counter circuit, which engages in pulse accumulative counting of A terminal, and it is used in the counting of input pulses. The S1~S4 are the reset switch, which are used to set the countered numbers. When the numbers are accumulated to the set values, the circuit is taking action, and the corresponding circuit of the relay control is taking action. If the time pulse in Figure 5-12 is added on A terminal, which can also compose a digital timing circuit base on the power supply frequency.
Reprinted Url Of This Article:
http://www.seekic.com/circuit_diagram/Automotive_Circuit/The_pulse_accumulation_counter_circuit.html
Print this Page | Comments | Reading(3)
Code: