Published:2011/6/21 6:08:00 Author:qqtang | Keyword: ring formed, counter | From:SeekIC

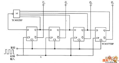
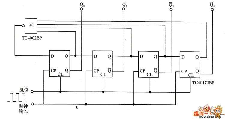
In the circuit is an example of the ring formed counter circuit, the period of the circuit is 4 hours, and the circuit is widely used in all kinds of counter circuit.
Reprinted Url Of This Article:
http://www.seekic.com/circuit_diagram/Automotive_Circuit/The_ring_formed_counter_circuit.html
Print this Page | Comments | Reading(3)
Code: