Published:2011/6/14 1:48:00 Author:Borg | Keyword: triangular wave, generator | From:SeekIC

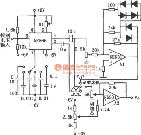
In the figure is sine, square and triangular wave generator. This circuit consists of a voltage control oscillator and two high-speed op-amps, which has a wide frequency range. The oscillator is formed by NE566, whose working frequency range is 0.1Hz~1MHz. Frequency adjustment is done by R1 and C. The triangular and square waves are imposed on the computing amplifier A2 by communication coupling, and they are output by A2. The sine wave converter A1 can switch the triangular wave into the square wave, and the waves are output by A2. The output frequency of the sine wave is 10Hz~1MHz, which is switched by the diode.
Reprinted Url Of This Article:
http://www.seekic.com/circuit_diagram/Automotive_Circuit/The_sine_square_and_triangular_wave_generatorNE566-NE531.html
Print this Page | Comments | Reading(3)
Code: