Published:2011/6/14 1:18:00 Author:Borg | Keyword: square wave, triangular wave | From:SeekIC

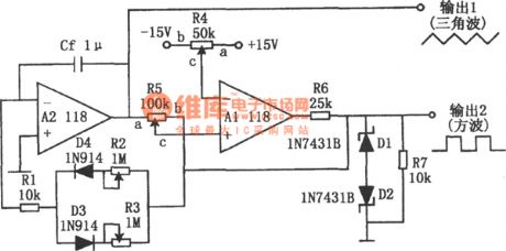
In the figure is the stable square wave and triangular wave generator. The characters of the circuit are that the frequencies of the square wave and triangular wave are nearly the same, the passive and positive amplitudes are symmetric; the positive and passive slopes of the triangular wave are not effected by the amplitude, and the slopes can be adjusted. Besides, the wave shape won't be changed when adjusting the basic LEV. The computing amplifier A2 is the integrator, which is driven by the output square waves. The amplitude of the square wave is fixed at ±5V by the Zener diodes of D1 and D2.
Reprinted Url Of This Article:
http://www.seekic.com/circuit_diagram/Automotive_Circuit/The_stable_square_wave_and_triangular_wave_generator_118.html
Print this Page | Comments | Reading(3)
Code: