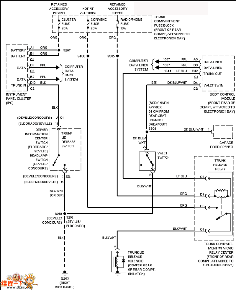
Published:2011/3/30 23:25:00 Author:Ecco | Keyword: trunk opening | From:SeekIC

Reprinted Url Of This Article:
http://www.seekic.com/circuit_diagram/Automotive_Circuit/The_trunk_opening_circuit_diagram_of_Cadillac.html
Print this Page | Comments | Reading(3)
Code: