Published:2011/4/5 20:34:00 Author:muriel | Keyword: Tianjin VIOS, power supply, electromotor , generator | From:SeekIC

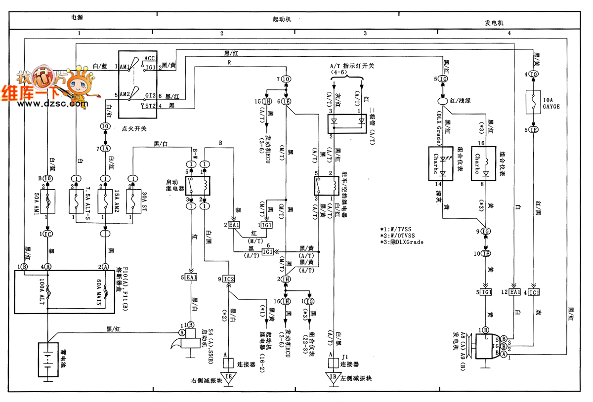
Tianjin VIOS power supply、electromotor and generator circuit diagram as shown:
Welcome transshipment, the informations are come from Weiku e-market net( www.dzsc.com).
Reprinted Url Of This Article:
http://www.seekic.com/circuit_diagram/Automotive_Circuit/Tianjin_VIOS_power_supply-electromotor_and_generator_circuit_diagram.html
Print this Page | Comments | Reading(3)
Code: