Published:2011/4/27 3:35:00 Author:Rebekka | Keyword: audio frequency oscillator | From:SeekIC

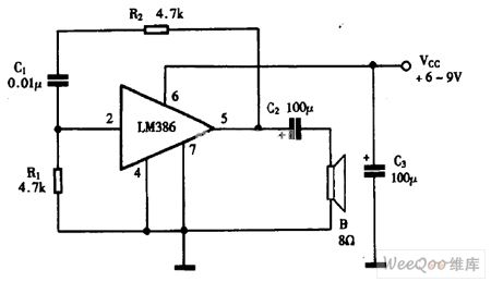
Using LM386 as audio frequency oscillator circuit diagram is shown as above.
Reprinted Url Of This Article:
http://www.seekic.com/circuit_diagram/Automotive_Circuit/Using_LM386_as_audio_frequency_oscillator_circuit_diagram.html
Print this Page | Comments | Reading(3)
Code: