Published:2011/7/17 22:53:00 Author:Fiona | Keyword: Varactor multiplier | From:SeekIC

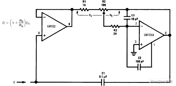
Varactor multiplier circuit is shown as above:
Reprinted Url Of This Article:
http://www.seekic.com/circuit_diagram/Automotive_Circuit/Varactor_multiplier_circuit.html
Print this Page | Comments | Reading(3)
Code: