Published:2011/6/28 19:17:00 Author:TaoXi | Keyword: Vizi, saloon car, electric window, central lock | From:SeekIC

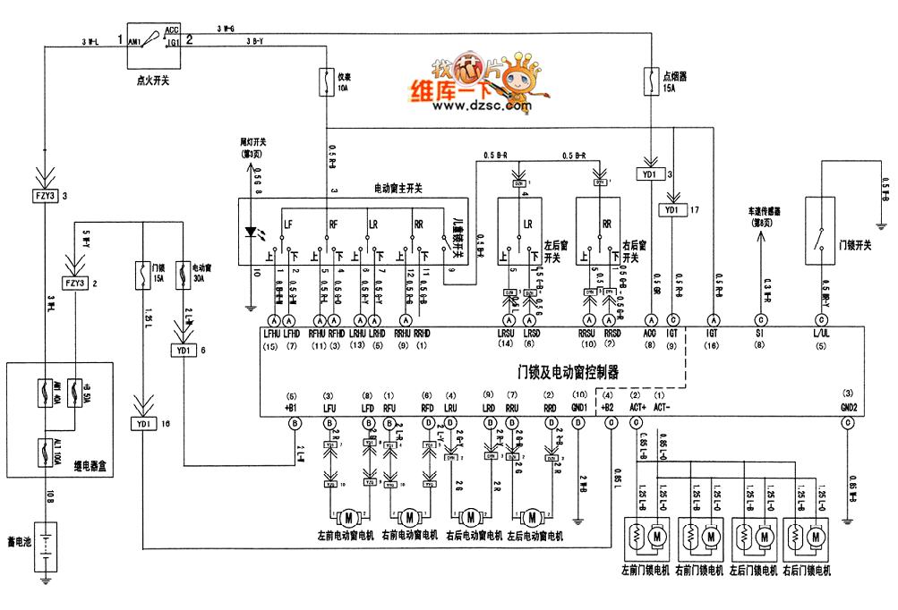
Vizi saloon car electric window and central lock circuit is as shown in the figure:
Reprinted Url Of This Article:
http://www.seekic.com/circuit_diagram/Automotive_Circuit/Vizi_saloon_car_electric_window_and_central_lock_circuit.html
Print this Page | Comments | Reading(3)
Code: