Published:2011/6/30 19:33:00 Author:TaoXi | Keyword: Vizi, saloon car, fan, warm wind, air conditioning | From:SeekIC

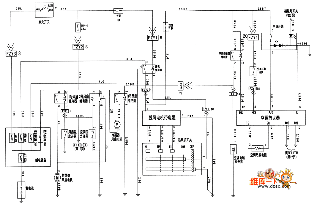
The Vizi saloon car fan, warm wind and air conditioning circuits:
Reprinted Url Of This Article:
http://www.seekic.com/circuit_diagram/Automotive_Circuit/Vizi_saloon_car_fan_warm_wind_and_air_conditioning_circuits.html
Print this Page | Comments | Reading(3)
Code: