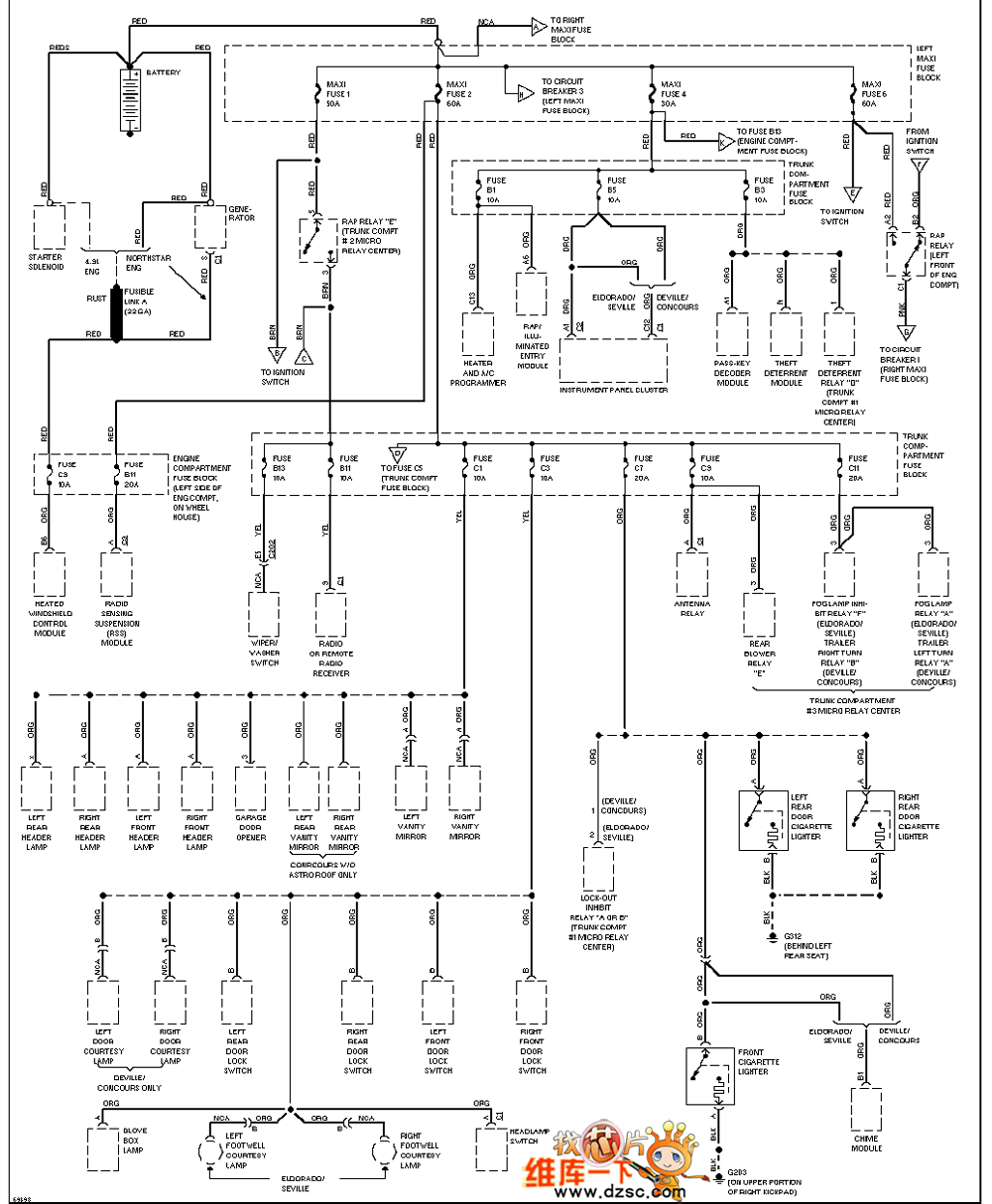
Published:2011/8/25 1:45:00 Author:Ecco | Keyword: Volvo , power supply | From:SeekIC

Reprinted Url Of This Article:
http://www.seekic.com/circuit_diagram/Automotive_Circuit/Volvo_S40_power_supply_circuit_diagram.html
Print this Page | Comments | Reading(3)
Code: