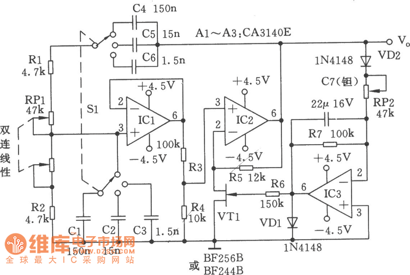
Published:2011/4/22 22:31:00 Author:Sue | Keyword: Wien Bridge, Sine Wave, Generator | From:SeekIC

Reprinted Url Of This Article:
http://www.seekic.com/circuit_diagram/Automotive_Circuit/Wien_Bridge_Sine_Wave_Generator_III_Circuit.html
Print this Page | Comments | Reading(3)
Code: