Published:2011/4/28 5:35:00 Author:Sue | Keyword: Wien Oscillator Regulator Circuit | From:SeekIC

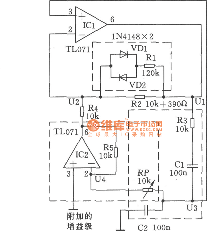
In Wien Bridge, the change of any resistance will change frequency and attenuation. As seen in the figure, the adjustment of resistance can alter the compensation amplifier's gain, so as to compensate the change of attenuation.
Reprinted Url Of This Article:
http://www.seekic.com/circuit_diagram/Automotive_Circuit/Wien_Oscillator_Regulator_Circuit.html
Print this Page | Comments | Reading(3)
Code: