Published:2011/4/24 20:51:00 Author:muriel | Keyword: XSARA, brake lamp | From:SeekIC

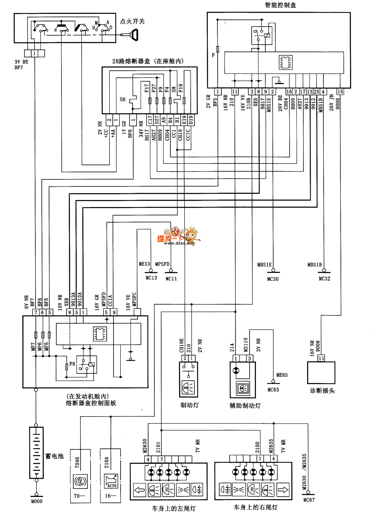
XSARA brake lamp circuit diagram is as shown
Reprinted Url Of This Article:
http://www.seekic.com/circuit_diagram/Automotive_Circuit/XSARA_brake_lamp_circuit_diagram.html
Print this Page | Comments | Reading(3)
Code: