Published:2011/4/24 20:41:00 Author:muriel | Keyword: XSARA, loudspeaker | From:SeekIC

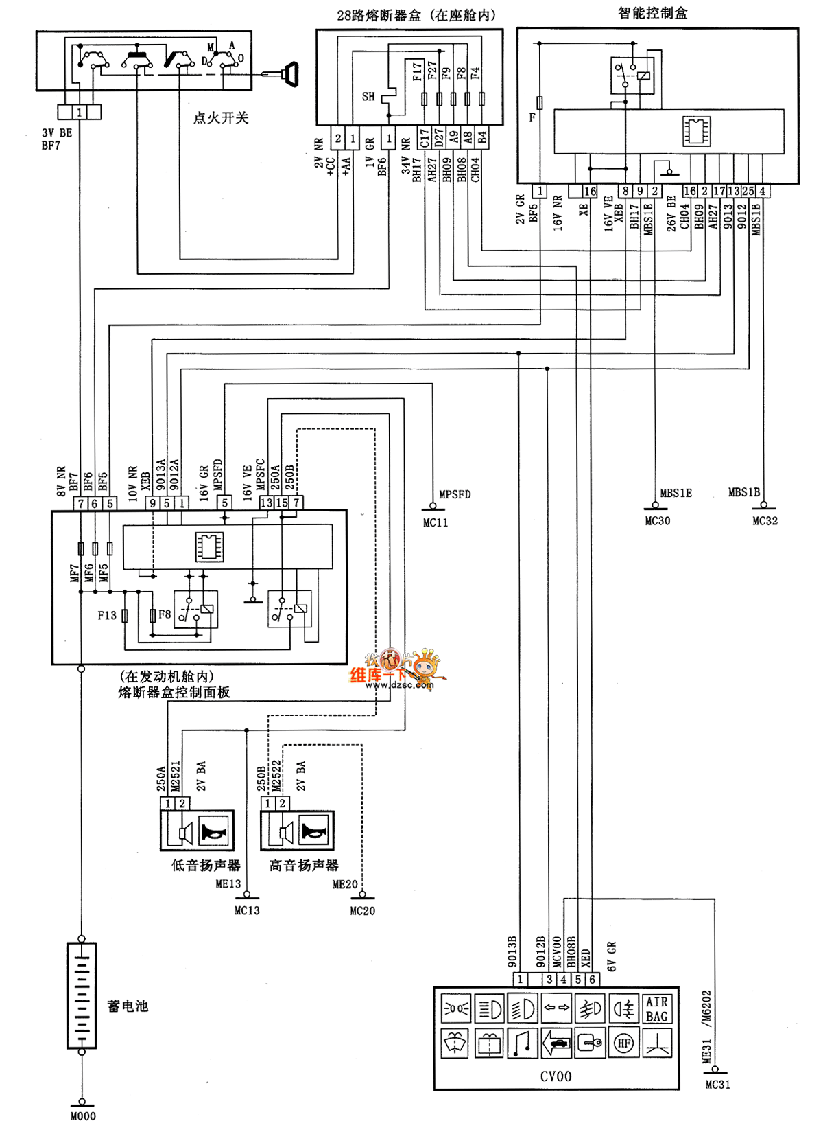
XSARA loudspeaker circuit diagram is as shown
Reprinted Url Of This Article:
http://www.seekic.com/circuit_diagram/Automotive_Circuit/XSARA_loudspeaker_circuit_diagram.html
Print this Page | Comments | Reading(3)
Code: