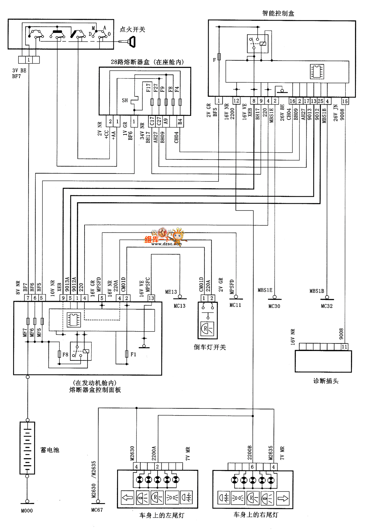
Published:2011/4/24 20:48:00 Author:muriel | Keyword: XSARA , reversing light(manual transmission) | From:SeekIC

XSARA reversing light(manual transmission) circuit diagram is as shown
Reprinted Url Of This Article:
http://www.seekic.com/circuit_diagram/Automotive_Circuit/XSARA_reversing_lightmanual_transmission_circuit_diagram.html
Print this Page | Comments | Reading(3)
Code: