Published:2011/4/12 21:47:00 Author:muriel | Keyword: XSARA , saloon car , cigar lighter, attachment plug | From:SeekIC

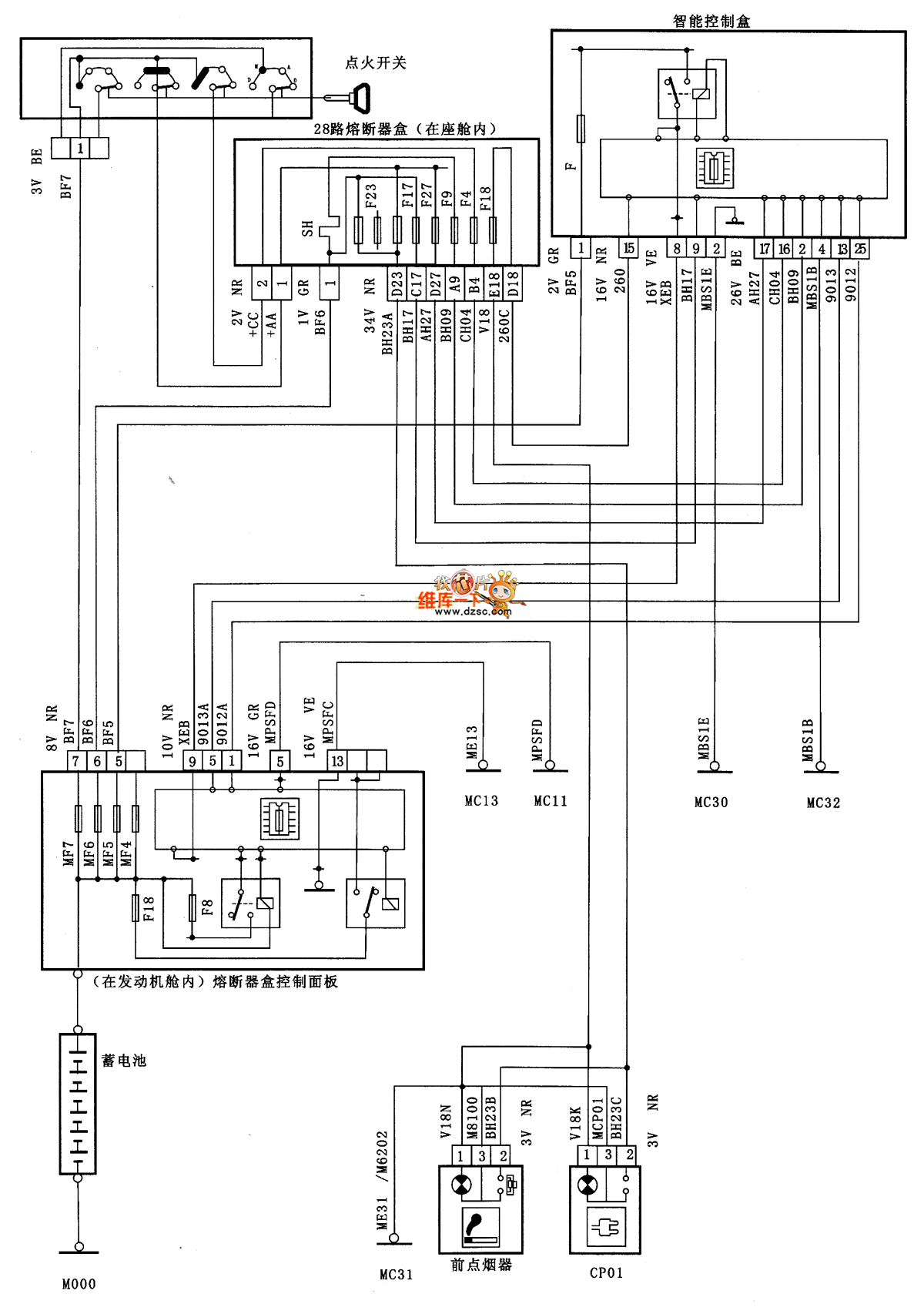
XSARA saloon car cigar lighter and attachment plug circuit diagram as shown
Reprinted Url Of This Article:
http://www.seekic.com/circuit_diagram/Automotive_Circuit/XSARA_saloon_car_cigar_lighter_and_attachment_plug_circuit_diagram.html
Print this Page | Comments | Reading(3)
Code: