Published:2011/4/13 21:03:00 Author:muriel | Keyword: XSARA, saloon car , headlamp regulator | From:SeekIC

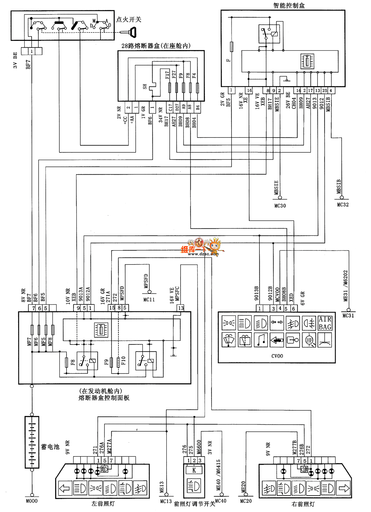
XSARA saloon car headlamp regulator circuit diagram as shown
Reprinted Url Of This Article:
http://www.seekic.com/circuit_diagram/Automotive_Circuit/XSARA_saloon_car_headlamp_regulator_circuit_diagram.html
Print this Page | Comments | Reading(3)
Code: