Published:2011/4/12 21:51:00 Author:muriel | Keyword: XSARA , saloon car heating and ventilation | From:SeekIC

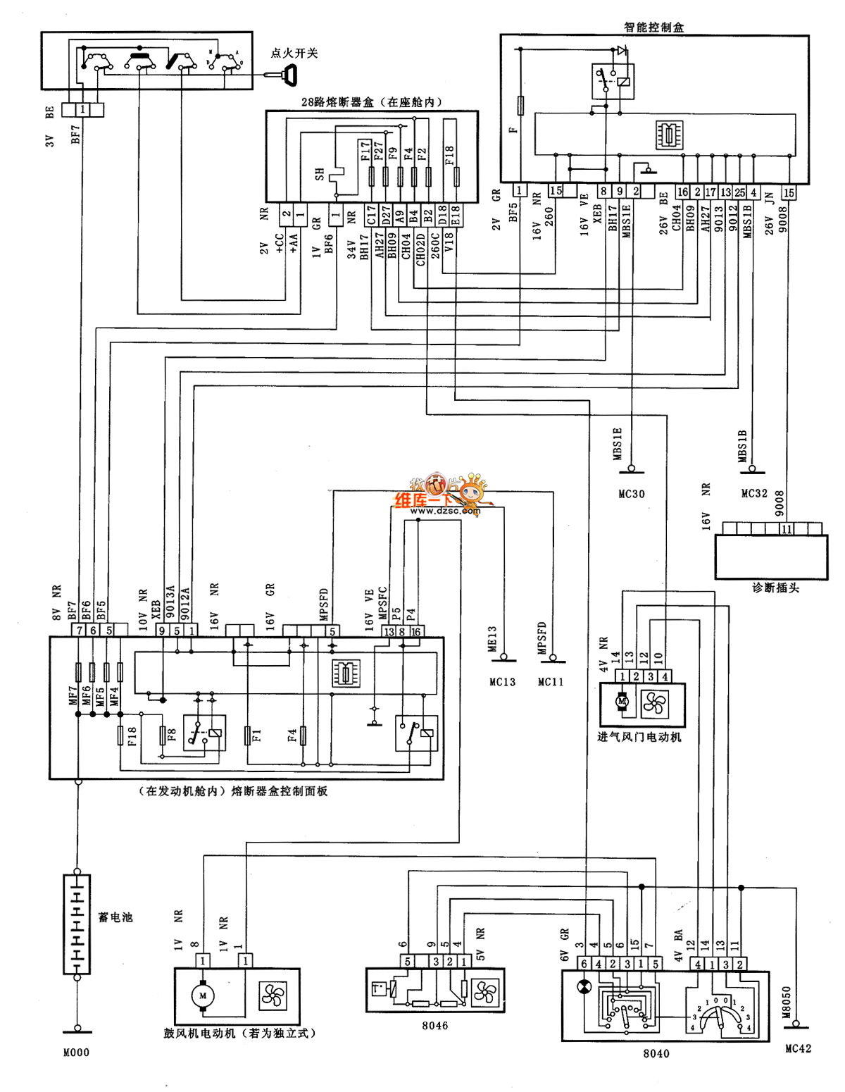
XSARA saloon car heating and ventilation circuit diagram as shown
Reprinted Url Of This Article:
http://www.seekic.com/circuit_diagram/Automotive_Circuit/XSARA_saloon_car_heating_and_ventilation_circuit_diagram.html
Print this Page | Comments | Reading(3)
Code: