Published:2011/4/14 2:12:00 Author:muriel | Keyword: XSARA , saloon car, rear motor-driven window | From:SeekIC

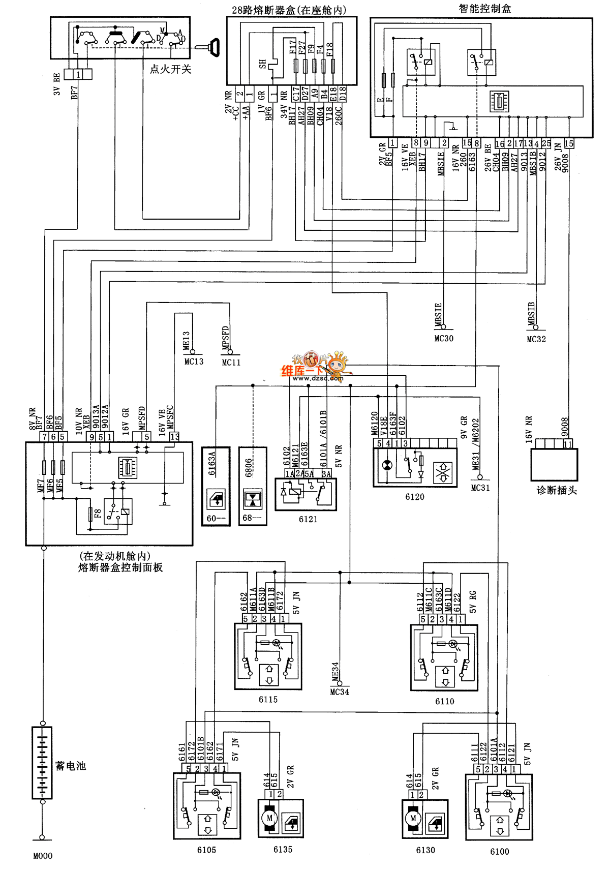
XSARA saloon car rear motor-driven window circuit diagramis as shown
Reprinted Url Of This Article:
http://www.seekic.com/circuit_diagram/Automotive_Circuit/XSARA_saloon_car_rear_motor_driven_window_circuit_diagram.html
Print this Page | Comments | Reading(3)
Code: