Published:2011/4/14 2:02:00 Author:muriel | Keyword: XSARA , saloon car , skylight | From:SeekIC

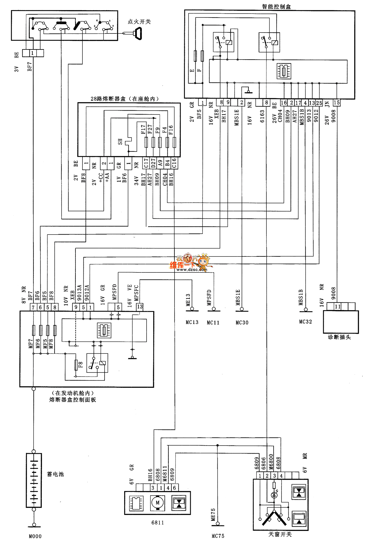
XSARA saloon car skylight circuit diagram is as shown
Reprinted Url Of This Article:
http://www.seekic.com/circuit_diagram/Automotive_Circuit/XSARA_saloon_car_skylight_circuit_diagram.html
Print this Page | Comments | Reading(3)
Code: