Published:2011/4/12 21:58:00 Author:muriel | Keyword: XSARA , saloon car , trip computer, automatic transmission | From:SeekIC

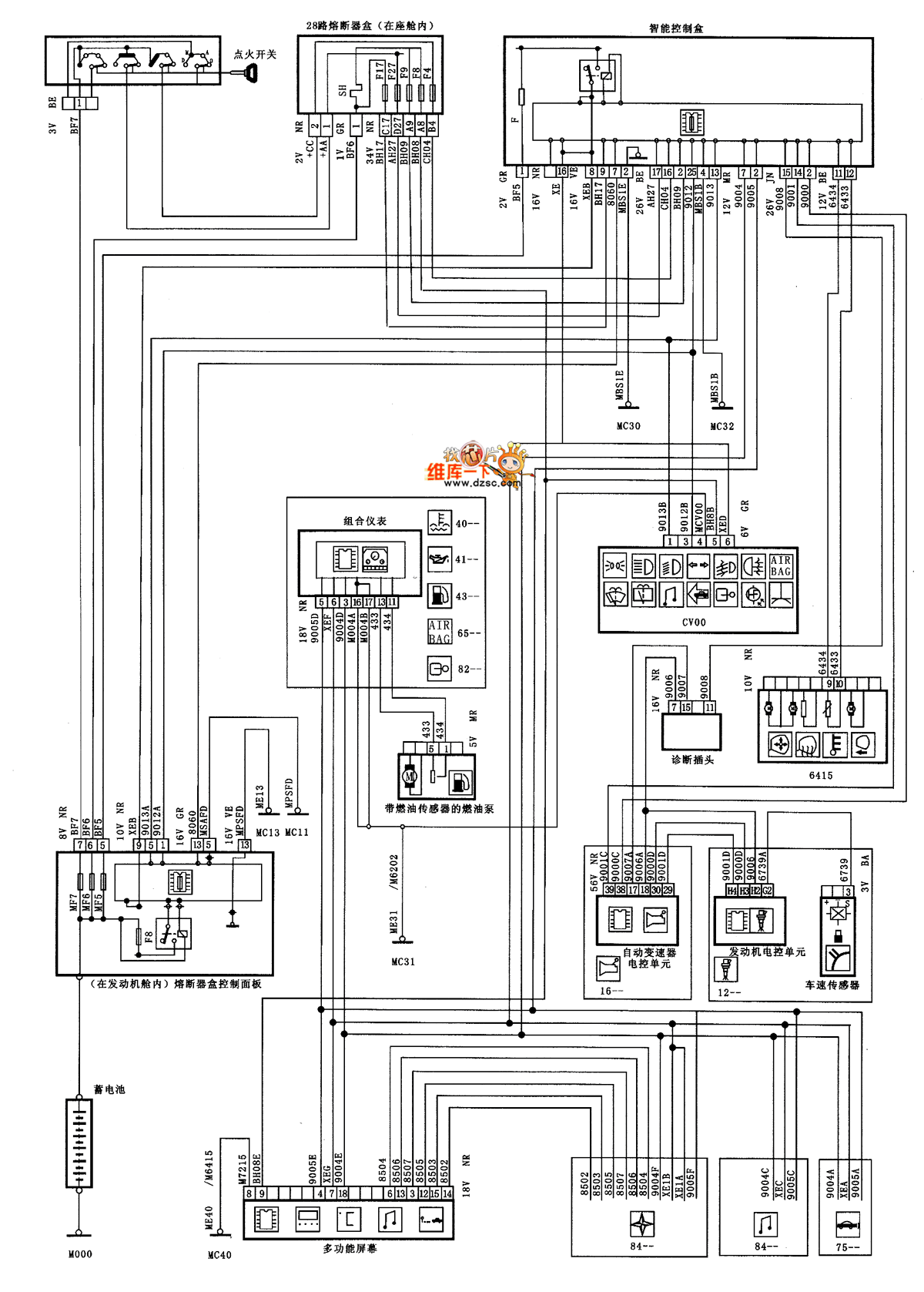
XSARA saloon car trip computer(automatic transmission) circuit diagram as shown
Reprinted Url Of This Article:
http://www.seekic.com/circuit_diagram/Automotive_Circuit/XSARA_saloon_car_trip_computerautomatic_transmission_circuit_diagram.html
Print this Page | Comments | Reading(3)
Code: