Published:2011/4/24 6:37:00 Author:Robert | Keyword: Yueda KIA, Combination Instrument, Alarm Light | From:SeekIC

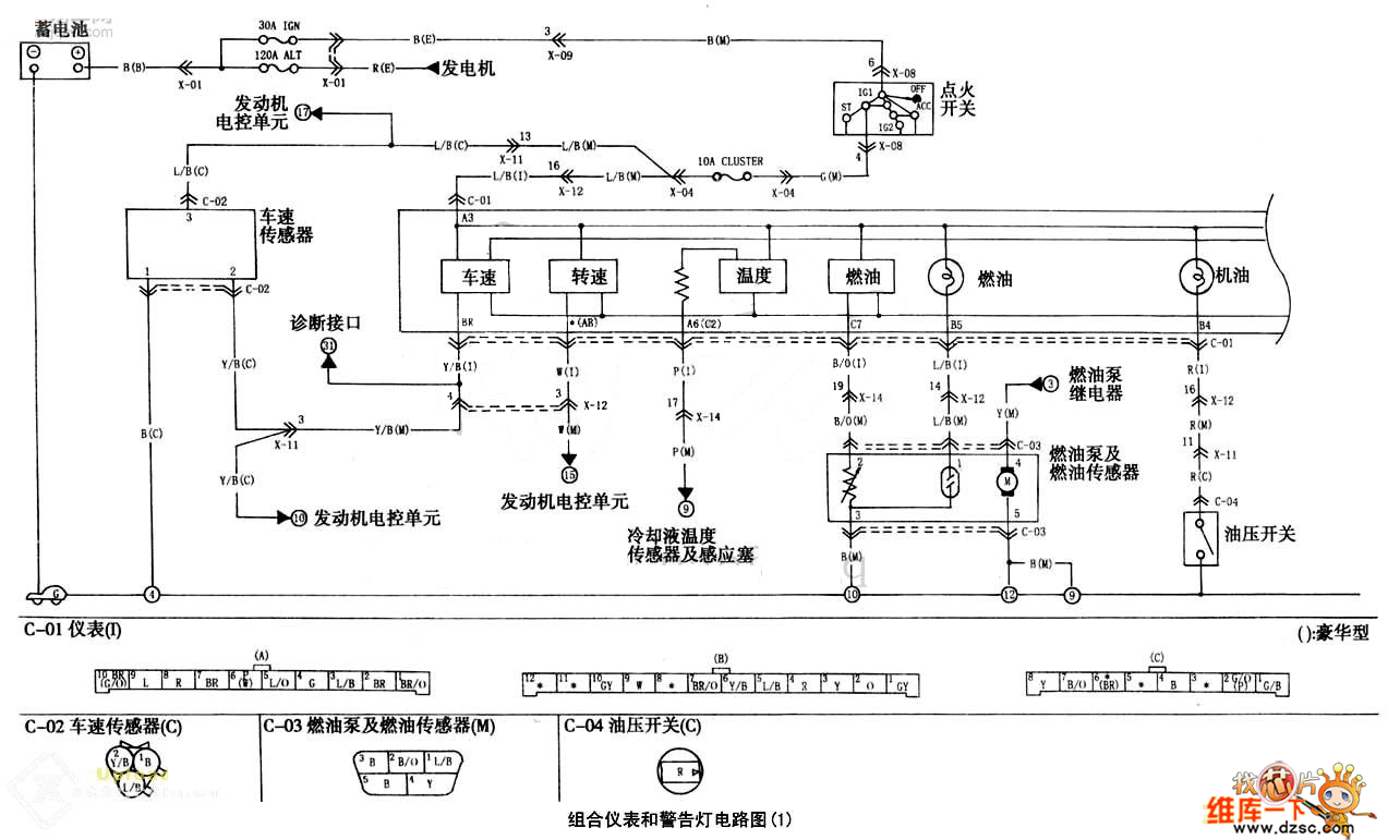
Yueda KIA Combination Instrument And Alarm Light Circuit is shown above.
Reprinted Url Of This Article:
http://www.seekic.com/circuit_diagram/Automotive_Circuit/Yueda_KIA_Combination_Instrument_And_Alarm_Light_Circuit.html
Print this Page | Comments | Reading(3)
Code: