Published:2011/6/21 0:12:00 Author:John | Keyword: bistable transconductance mixer | From:SeekIC

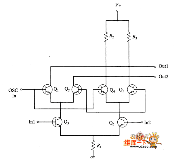
Bistable transconductance mixer used in NE-602 circuit is shown.
Reprinted Url Of This Article:
http://www.seekic.com/circuit_diagram/Automotive_Circuit/bistable_transconductance_mixer_used_in_NE_602_circuit.html
Print this Page | Comments | Reading(3)
Code: