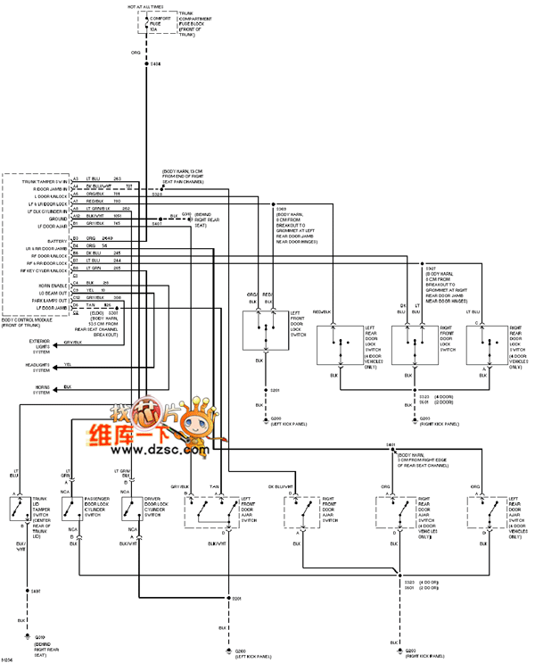
Published:2011/5/13 1:12:00 Author:Nicole | Keyword: anti-theft system | From:SeekIC

Reprinted Url Of This Article:
http://www.seekic.com/circuit_diagram/Automotive_Circuit/deville_anti_theft_system_circuit_diagram.html
Print this Page | Comments | Reading(3)
Code: