Published:2011/5/23 21:32:00 Author:John | Keyword: filter | From:SeekIC

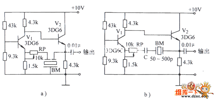
Filter oscillation circuitis shown below.
Reprinted Url Of This Article:
http://www.seekic.com/circuit_diagram/Automotive_Circuit/filter_oscillation_circuit.html
Print this Page | Comments | Reading(3)
Code: