Published:2011/7/15 2:15:00 Author:Fiona | Keyword: electrothermal windows | From:SeekIC

Reprinted Url Of This Article:
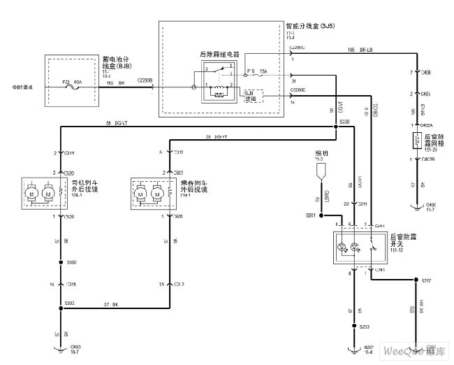
http://www.seekic.com/circuit_diagram/Automotive_Circuit/maverick_2005_electrothermal_windows_circuit.html
Print this Page | Comments | Reading(3)
Code: